联系我们
联系人:程小姐
电话:86-20-28007952
传真:86-20-28007953
邮箱:vicycheng@163.com
邮编:510800
公司地址:广州市花都区迎宾大道青莲路1号金纳投资大厦A811室
工厂地址:广州市花都区新华街华兴工业区卡丹路工业园
电话:86-20-28007952
传真:86-20-28007953
邮箱:vicycheng@163.com
邮编:510800
公司地址:广州市花都区迎宾大道青莲路1号金纳投资大厦A811室
工厂地址:广州市花都区新华街华兴工业区卡丹路工业园
JS0038E 高灵敏度,抗光、抗电磁干扰能力强红外线接收头
1.特性:
小型设计;
内置专用IC;
宽角度及长距离接收;
抗干挠能力强;
能抵挡环境干挠光线;
低电压工作;
2.应用:
视听器材(音箱,电视,录影机,碟机);
家庭电器(冷气机,电风扇,电灯);
其它红外线遥控产品;
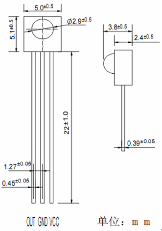
3.尺寸:

4.应用电路图:

5.光电参数(T=25℃ Vcc=5v f0=38KHZ):
| 参 数 | 符号 | 测试条件 | Min | Type | Max | 单位 |
| 工作电压 | Vcc | 2.7 | 5.5 | V | ||
| 工作电流 | Icc | 0.6 | 0.8 | mA | ||
| 静态电流 | Ice | 无信号输入时 | 0.1 | 0.5 | mA | |
| 接收距离 | L | 13 | 15 | M | ||
| 接收角度 | θ1/2 | +/-45 | Deg | |||
| 载波频率 | f0 | 38 | kHz | |||
| BMP 宽度 | fBW | -3Db Bandwidth | 8 | kHz | ||
| 低电平输出 | Vol | Vin=0V Vcc=5V | 0.4 | V | ||
| 高电平输出 | Voh | Vcc=5V | Vcc-0.3 | Vcc | V | |
| 输出脉冲 | TPWL | Vin=50mVp-p | 500 | 600 | 700 | μS |
| 宽 度 | TPWH | Vin=50mVp-p | 540 | 640 | 740 | μS |
※ 光轴上测试,以宽度600/900μs为发射脉冲,在5CM之接收范围内,取50次接收脉冲之平均值。
6.极限参数:
| 项目 | 符号 | Min | TypMnx单位 |
| 供应电压 | Vcc | -0.3—6.5 | V |
| 工作温度 | Topr | -20— +85 | ℃ |
| 储存温度 | Tstg | -40 —— +125 | ℃ |
| 焊接温度 | Tsol | 260(5S) | ℃ |
7.推荐使用条件:
| 项目 | 符号 | Min | Typ | Mnx | 单位 |
| 工作电压 | Vcc | 2.7 | -------- | 5.5 | V |
| 输入频率 | FM | 38 | kHz | ||
| 工作温度 | Topr | -20 | 25 | 80 | ℃ |
8.接收角度图:

9.使用注意:
1).在无任何外加压力及影响品质的环境下储存及使用;
2).在无污染气体或海风(含盐分)的环境下储存及使用;
3).在低湿度环境下储存及使用;
4).在规定的条件下焊接引线管脚,焊接后,请勿施加外力;
5).请勿清洗本产品,使用前,请先用静电带将作业员及电烙铁连接落地线;
6).请注意保护红外线接收器的接收面,沾污或磨损后会影响接收效果,同时不要触碰表面。

